Sistema de guía tipo V
Portaequipajes helicoidal de tierra DIN6 de guía tipo V
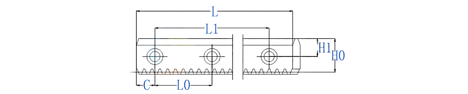
Especificaciones:
Nivel de precisión: DIN6
Material: S45C/42CrMo
Tipo de diente: diente helicoidal
Tratamiento de endurecimiento: Enfriamiento de alta frecuencia (HRC 48-52°) / Carburación y enfriamiento (HRC 55-60°)
Proceso de producción: rectificado de cuatro lados, rectificado de la superficie del diente, rectificado de la superficie del riel en V.
La cremallera helicoidal terrestre Yuchen DIN6 de guía tipo V representa una opción premium para aplicaciones de transmisión industrial donde la alta eficiencia y precisión son esenciales. Diseñada con procesos de fabricación avanzados y materiales de alta calidad, esta cremallera ofrece buen rendimiento y durabilidad, satisfaciendo las estrictas demandas de los equipos industriales modernos.
Fabricación avanzada y garantía de calidad:
Construida con acero 42CrMo de primera calidad, la cremallera garantiza una buena resistencia y tenacidad desde el nivel del material. El proceso de fabricación implica fresado y rectificado de precisión de los dientes, junto con rigurosas inspecciones en varias etapas. El exclusivo diseño de dientes helicoidales con guía en V, combinado con un rectificado de alta precisión tanto en las superficies de los dientes como en las pistas de la guía en V, garantiza una planitud y un acabado superficial excepcionales. Esto da como resultado una fricción reducida y un movimiento lineal más suave y estable durante el funcionamiento.
Guía de alta precisión para un posicionamiento preciso:
La distintiva estructura de guía en V de esta cremallera restringe eficazmente los grados de libertad de los componentes en movimiento, garantizando una direccionalidad y un posicionamiento estables durante todo el movimiento lineal. Esto lo hace especialmente adecuado para aplicaciones que requieren un estricto control posicional, como máquinas herramienta CNC y líneas de producción automatizadas. El cremallera de engranajes helicoidales terrestres Yuchen de guía tipo V ofrece una guía confiable, lo que permite que el equipo logre tolerancias dimensionales estrictas y una buena calidad de superficie en las piezas terminadas.
Capacidad de carga robusta para aplicaciones de servicio pesado:
Gracias al acero 42CrMo de alta resistencia y al tratamiento térmico optimizado, la cremallera exhibe una fuerte capacidad de carga, capaz de soportar importantes fuerzas axiales, radiales y torque. Funciona de manera confiable en entornos industriales pesados donde los componentes de la máquina están sujetos a pesos e impactos sustanciales. Esto garantiza el funcionamiento continuo y estable de equipos a gran escala.
Facilidad de instalación y mantenimiento:
Diseñado con características de instalación estandarizadas, el cremallera de engranajes helicoidales terrestres Yuchen de guía tipo V se puede integrar perfectamente con diversas maquinarias sin la necesidad de herramientas o técnicas complejas. El mantenimiento es sencillo e implica inspección periódica, limpieza y reemplazo oportuno de componentes desgastados, lo que ayuda a minimizar el tiempo de inactividad y reduce los costos operativos generales.
Amplias aplicaciones industriales:
El rendimiento excepcional de esta cremallera la convierte en una solución versátil en numerosos campos, incluida la automatización industrial, los centros de mecanizado CNC, la robótica y los sistemas logísticos. Facilita movimientos precisos del brazo robótico en líneas de producción automatizadas, garantiza una precisión de desplazamiento a nivel micrométrico en herramientas CNC y desempeña un papel fundamental en sistemas robóticos móviles y transportadores, lo que respalda el avance hacia la fabricación de alta gama.
Elija Portaequipajes helicoidal de tierra DlN6 de guía tipo V para obtener una calidad inigualable, un rendimiento confiable y un soporte técnico integral. Con experiencia profesional y tecnología avanzada, Yuchen se compromete a brindar soluciones de transmisión precisas, estables y eficientes, asociándose con usted para dar forma al futuro de la innovación industrial.
+86-13306862930 / +86-18668881826
English
中文简体
русский
Español
















